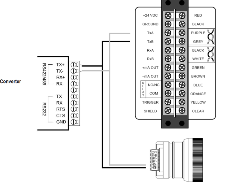
If the XR sensor (12 pins or 6 pins) needs to be communicated with E-USB485 (also known as XXXUSB485).
Please use below wiring scheme :

Modified on: Fri, 28 Jan, 2022 at 11:58 AM
If the XR sensor (12 pins or 6 pins) needs to be communicated with E-USB485 (also known as XXXUSB485).
Please use below wiring scheme :

Did you find it helpful? Yes No
Send feedback