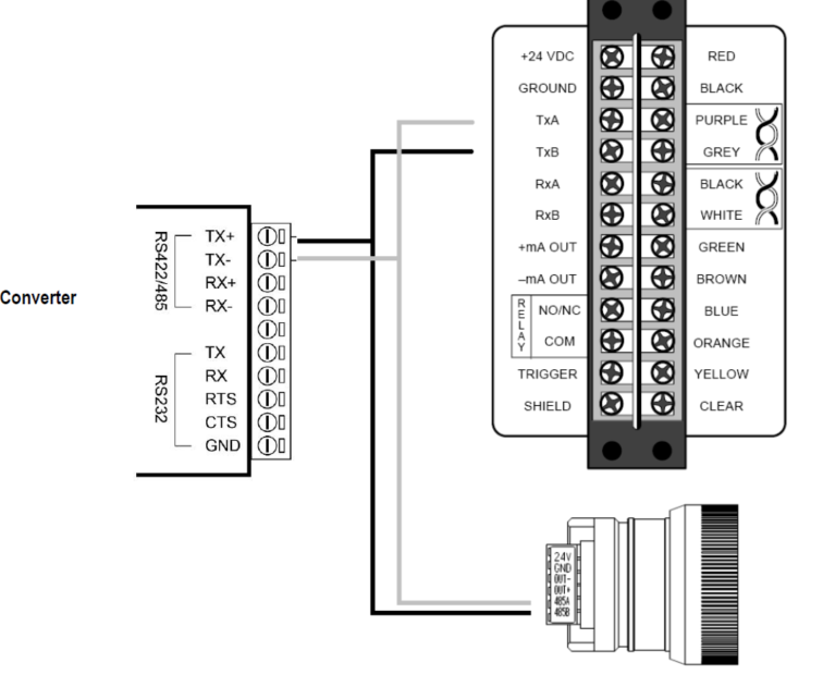
Wenn der XR-Sensor (12 Pins oder 6 Pins) mit E-USB485 (auch bekannt als XXXUSB485) kommunizieren soll.
Bitte verwenden Sie das folgende Verdrahtungsschema:
Geändert am: Di, 22 Feb, 2022 um 3:44 NACHMITTAGS
Wenn der XR-Sensor (12 Pins oder 6 Pins) mit E-USB485 (auch bekannt als XXXUSB485) kommunizieren soll.
Bitte verwenden Sie das folgende Verdrahtungsschema:
War diese Antwort hilfreich? Ja Nein
Feedback senden