Overview
The 12-wire version of the Thermalert T4.0 allows simultaneous remote adjustment of emissivity or ambient temperature ("T-Amb). Specific settings that must be configured via DTMD software to enable the function. One or both features can be used.
Excel file lookup table can be found here Link Here
Special Note
This setup has been bench tested together with channel partner 8th June 2022. The input range is 0-10V and is not adjustable.
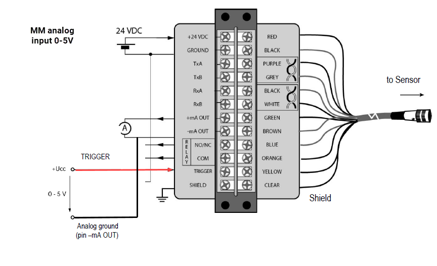
Electrical Schematic
Input impedance between FTC1 and AGND = 0.8 M Ohm
Input impedance between FTC1 and FTC2 = 0.8 M Ohm

Software Settings for Remote Emissivity

Check current emissivity value

Software Settings for T-Ambient Compensation

Comparison with Connection Scheme of MM or M7

Special Note
In case the remote emissivity signal is connected to FTC1 and FTC2 by mistake and the remote emissivity function is enabled. The feature would appear to work. However, the calculated value will not be correct and the sensor could be damaged (although not immediately). We know this from pervious customer experience and developed faults.
Example of how not to connect:
