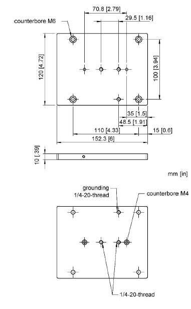
Material: Aluminium
Compatible with RSE300
Further information and STEP files Click Here

Modified on: Wed, 23 Aug, 2023 at 11:23 AM
Material: Aluminium
Compatible with RSE300
Further information and STEP files Click Here

Did you find it helpful? Yes No
Send feedback