The Raytek ET sensor was a single piece sensor, available in many spectral (LT, P7, G5, HT) models but only 2 output types:
1. ET2 thermocouple - J. K or R Type (according to model)
2. ET3 - 4-20mA
The safest replacement to offer is the T4.0 in 6-wire version.
Special notes:
1. The power supply (12V AC) must be changed to a DC supply.
2. The CF spec is the same as CF1 in TX and T4.0 (2.6mm @ 76mm distance).
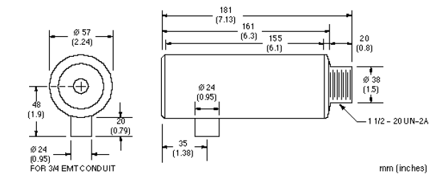
3. The ET uses a 5 pin connector and this cannot be repurposed although the cable can be (6-wire version of T4.0)
4. Accessories like bracket and air purge collar are the same like TX and T4.0
5. Water cooling is part of the build (like a TX) so you will need to order a water cooling accessory for T4.0

